海灣J-SAM-GST9122B手動火災報警按鈕結構特征、安裝與布線
海灣J-SAM-GST9122B手動火災報警按鈕手動火災報警按鈕外形示意圖如下

手動火災報警按鈕的外接端子示意圖如下

其中:
Z1、Z2:無極性信號二總線接線端子。
TL1、TL2:與GST-LD-8304連接的端子。
布線要求:信號Z1、Z2采用耐火RVS雙絞線,截面積≥1.0mm2;消防電話線TL1、TL2采用耐火RVVP屏蔽線,截面積≥1.0mm2。
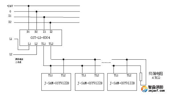
應用方法
作為手動火災報警按鈕使用時,將報警按鈕的Z1、Z2端子直接接入火災報警控制器總線上即可。作為手動火災報警按鈕及消防電話插孔使用時,將報警按鈕的Z1、Z2端子直接接入火災報警控制器總線上,同時將報警按鈕的TL1、TL2端子與GST-LD-8304消防電話模塊連接,如圖2-6所示(最末端報警按鈕的TL1、TL2接線端子接4.7kΩ終端電阻)。

海灣消防安全有限公司主營:GST海灣消防報警設備銷售,消防工程施工改造,氣體滅火、電氣/漏電火災、消防水系統施工安裝,售后維修保養,檢測,調試,海灣消防網站:http://www.luvata-china.com/;海灣消防服務熱線:4006-598-119
技術資料更多 >>


蘇公網安備32058102002148號